联系我们
服务热线
021-38971461
联系手机13817166982(微信同号)
企业邮箱trocan@163.com
地址上海市浦东区金桥工业区

- 产品描述
-
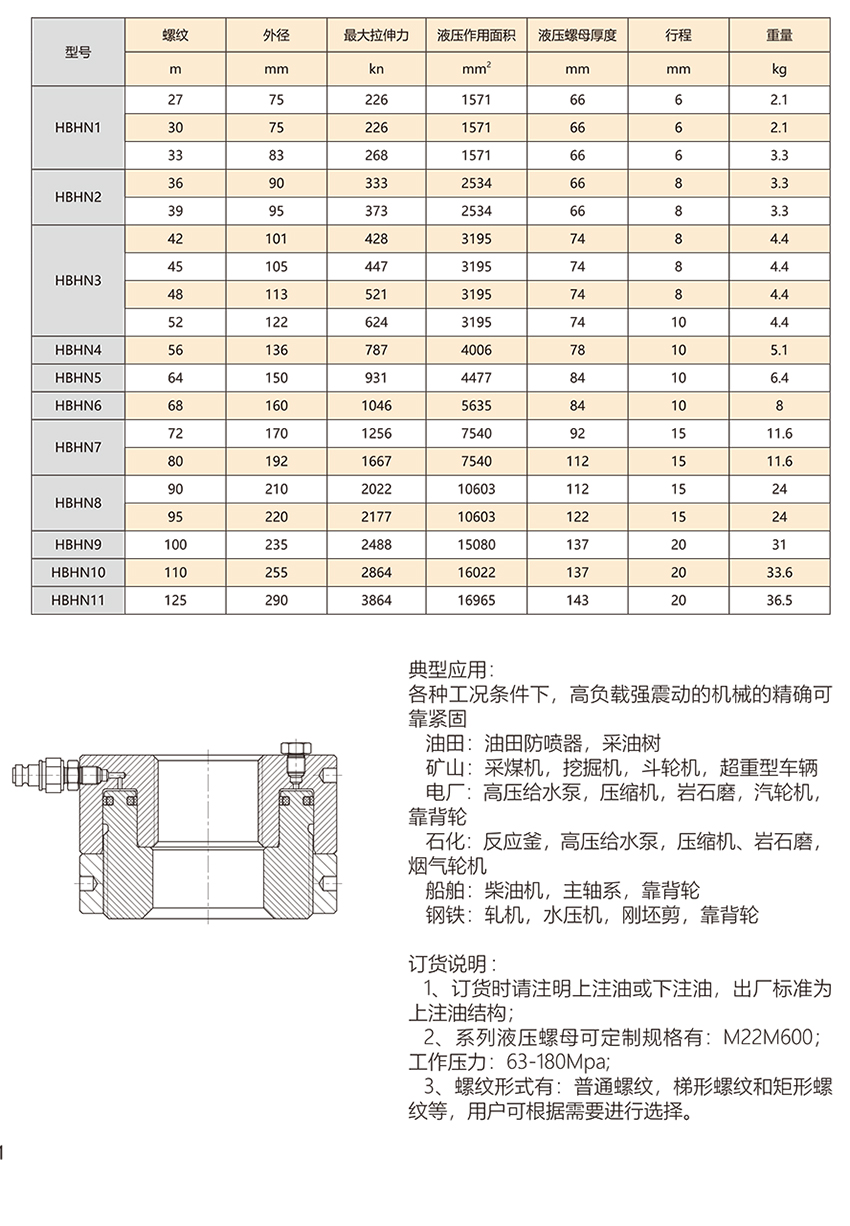
HORNIPAC HBHN 系列液压螺母是设计制造用于因检查和定期维修时而需要打开法兰连接。不像传统的液压螺栓拉伸器,HORNIPAC HBHN 系列液压螺母是设计用来永久的替换法兰连接一边的标准六角螺母。一旦液压拉伸力被施加到螺栓上,液压拉伸力就通过液压螺母的内置机械负荷圈永久的被保存了下来。标准系列液压螺母,其螺栓尺寸从 M22 到 M100,其他尺寸可定制。液压螺母的工作压力是1500Bar 配有快速接头,适合与 HORNIPAC 手动或气动液压螺栓拉伸器专用泵配合使用。



