联系我们
服务热线
021-38971461
联系手机13817166982(微信同号)
企业邮箱trocan@163.com
地址上海市浦东区金桥工业区

- 产品描述
-
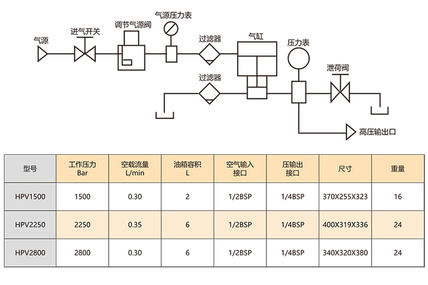
工作压力: 1500-2800Bar。
适用于 1500Bar 以上的超高压液压拉伸器或其它超高压液压工具。
工作气压6-10bar。
最高提供 2800Bar 压力。
内置安全阀,防止压力过高。
外置调压阀,可在0-2800Bar 范围内调整工作压力采用压缩空气为动力,安全防爆适用对用电有要求的工作环境。



